11/2008 - 02/2009

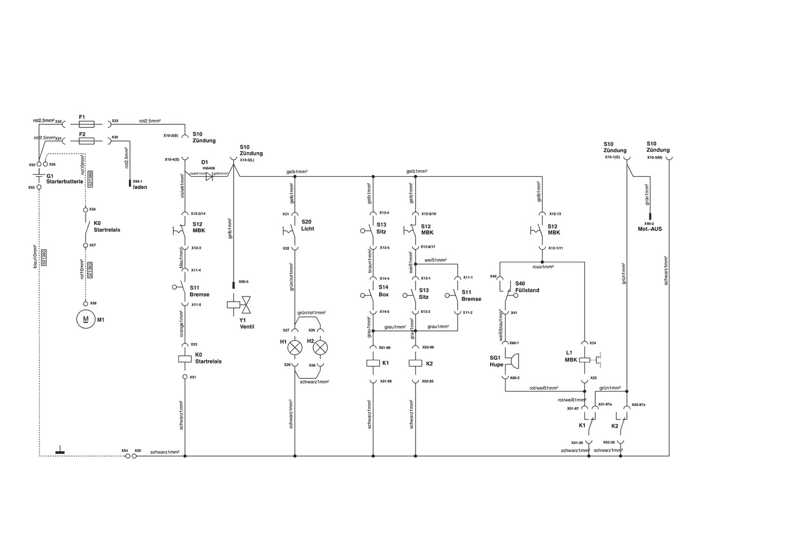
Zeichnungen von AL-KO Rasentraktor T13-102 HD LUX HVC 11/2008 - 02/2009 mit der Geräte-Artikelnr. 119160:

Zeichnung 1
Zeichnung 2
Zeichnung 3
Zeichnung 4
Zeichnung 5
Zeichnung 6
Zeichnung 7
Zeichnung 8
Zeichnung 9

Nicht alle Ersatzteile von AL-KO Rasentraktor T13-102 HD LUX HVC (119160) 11/2008 - 02/2009 sind immer lieferbar/vorrätig.
Sollten Sie Fragen zu einem Ersatzteil haben, können Sie uns gerne Mail schreiben oder eine Ersatzteilanfrage stellen.
Ersatzteile von Rasentraktor T13-102 HD LUX HVC:
Artikel 1 - 20 von 393

127,44 € *
Lieferzeit: 2 - 10 Werktage