11/2007 - 11/2008

Zeichnung AL-KO Rasentraktor COMFORT T 1500 (118713) 11/2007 - 11/2008:

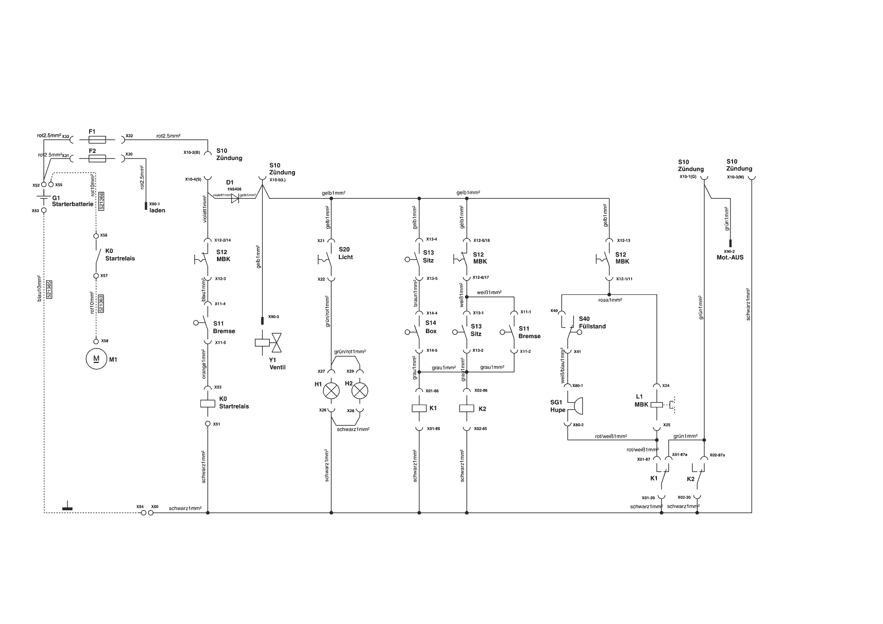
Zeichnung 1
Zeichnung 2
Zeichnung 2
Zeichnung 2
Zeichnung 2
Zeichnung 2
Zeichnung 2
Zeichnung 2
Zeichnung 2

Sollten Sie Fragen zu einem Ersatzteil haben, können Sie uns gerne eine Ersatzteilanfrage stellen.

Hier finden Sie alle Ersatzteile für AL-KO Rasentraktor COMFORT T 1500 (118713) 11/2007 - 11/2008:

Artikel 1 - 20 von 326