103-H SABO (SA270222) (123040)

Zeichnung AL-KO Rasentraktor 103-H SABO (SA270222) (123040):

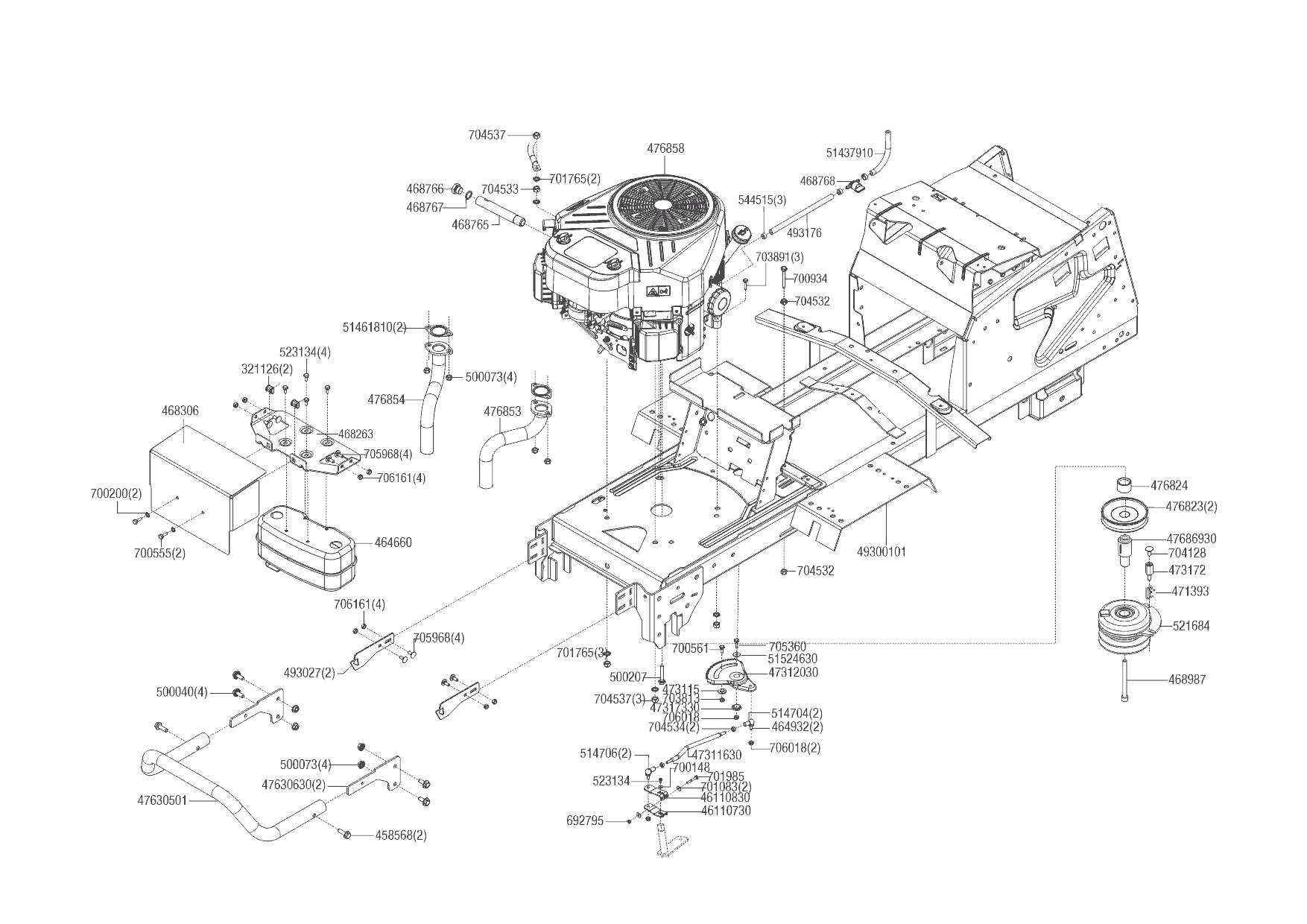
Zeichnung 1
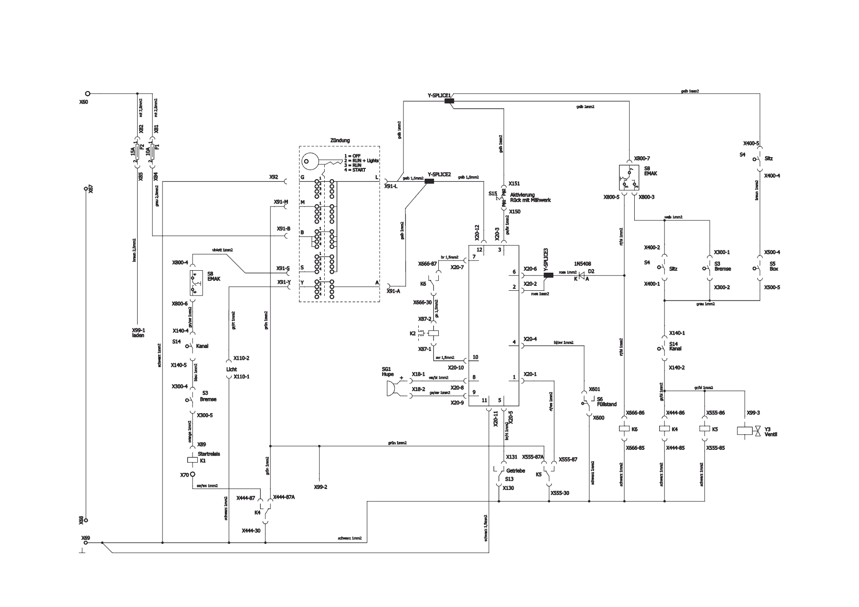
Zeichnung 2
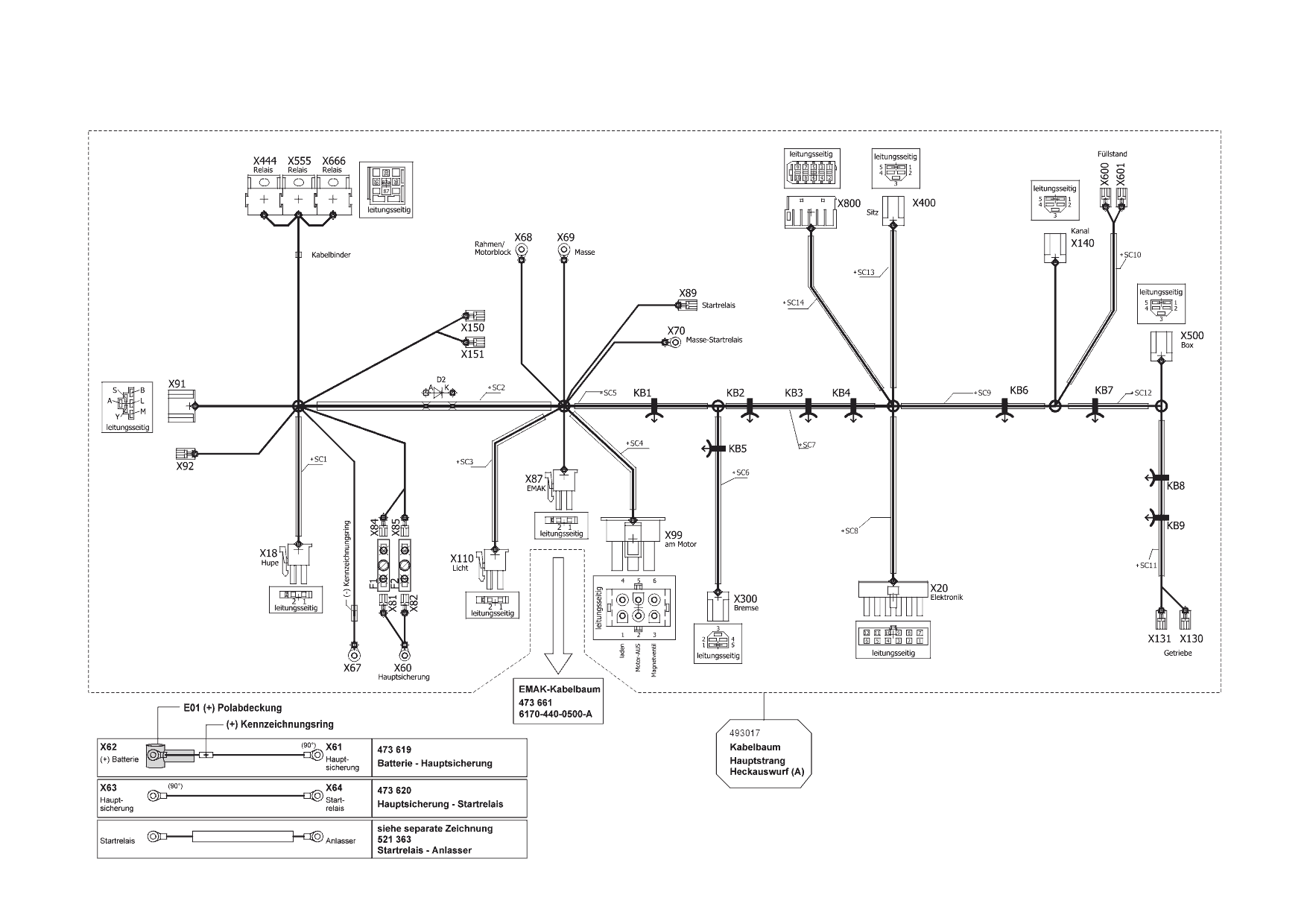
Zeichnung 3
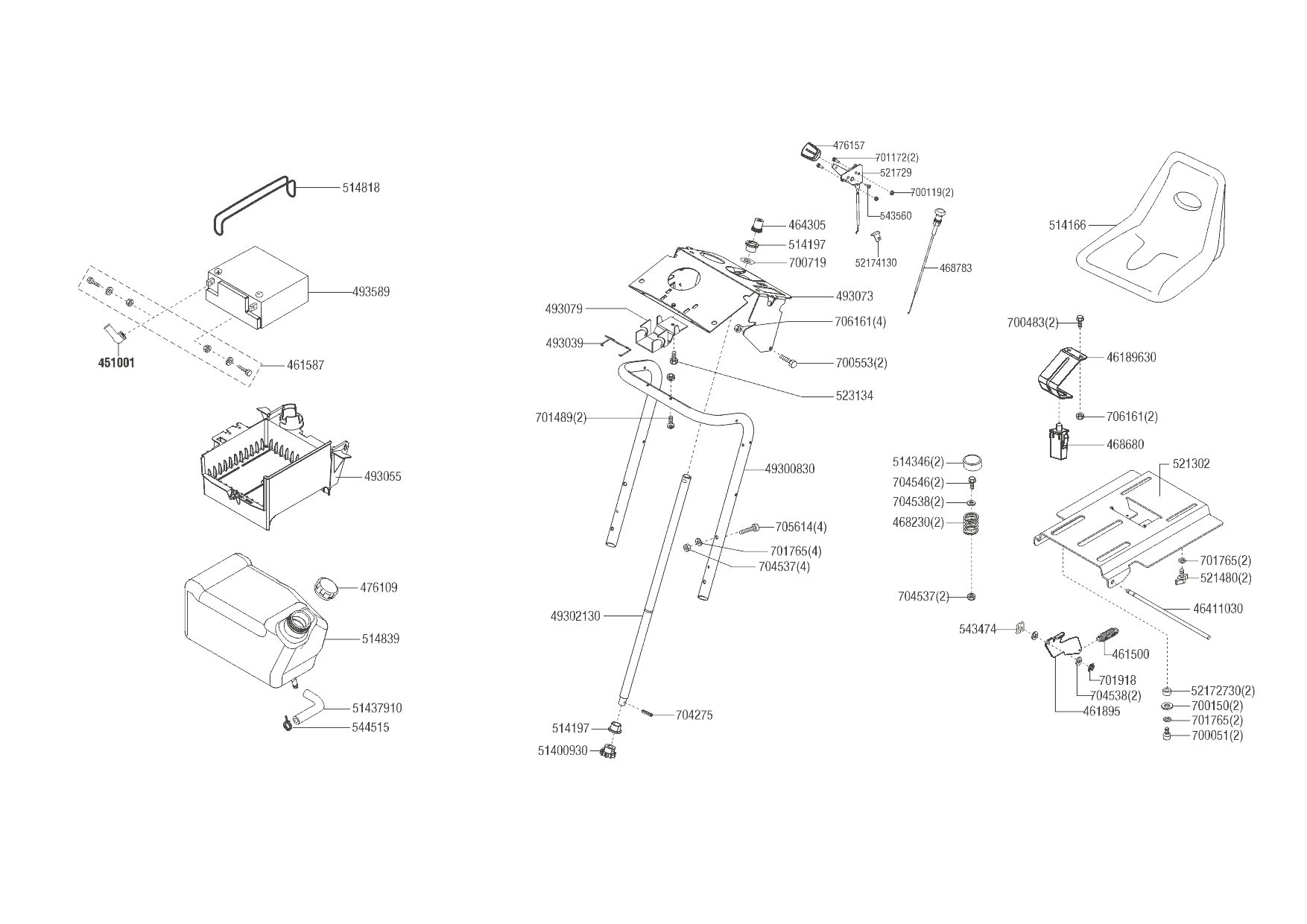
Zeichnung 4
Zeichnung 5
Zeichnung 6
Zeichnung 7
Zeichnung 8
Zeichnung 9
Zeichnung 10
Zeichnung 11

Sollten Sie Fragen zu einem Ersatzteil haben, können Sie uns gerne eine Ersatzteilanfrage stellen.

Hier finden Sie alle Ersatzteile für AL-KO Rasentraktor 103-H SABO (SA270222) (123040):
Artikel 1 - 40 von 387