10/2020 - 05/2022

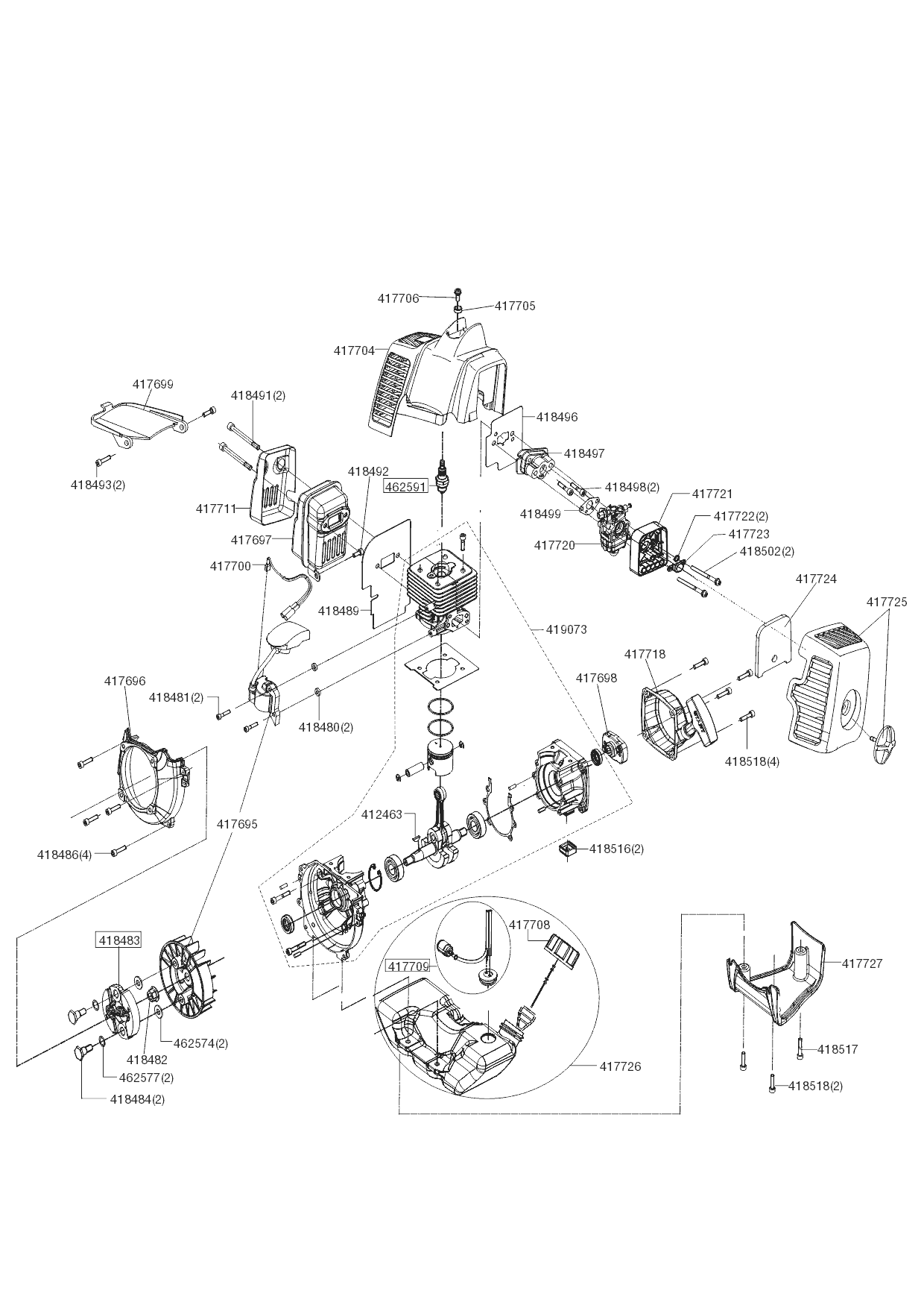
Zeichnung AL-KO Motorsensen BC 400 B Comfort (113784) 10/2020 - 05/2022:

Zeichnung 1
Zeichnung 2

Sollten Sie Fragen zu einem Ersatzteil haben, können Sie uns gerne eine Ersatzteilanfrage stellen.

Hier finden Sie alle Ersatzteile für AL-KO Motorsensen BC 400 B Comfort (113784) 10/2020 - 05/2022:
Artikel 1 - 30 von 83


Artikel 1 - 30 von 83