10/2007 - 11/2008

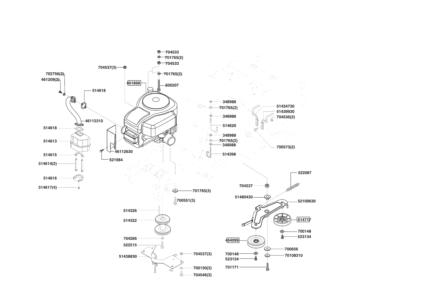
Zeichnung AL-KO Rasentraktor COMFORT T 850 S (119073) 10/2007 - 11/2008:

Zeichnung 1
Zeichnung 2
Zeichnung 2
Zeichnung 2
Zeichnung 2
Zeichnung 2
Zeichnung 2
Zeichnung 2

Sollten Sie Fragen zu einem Ersatzteil haben, können Sie uns gerne eine Ersatzteilanfrage stellen.

Hier finden Sie alle Ersatzteile für AL-KO Rasentraktor COMFORT T 850 S (119073) 10/2007 - 11/2008:

Artikel 1 - 20 von 269