10/2007 - 11/2008

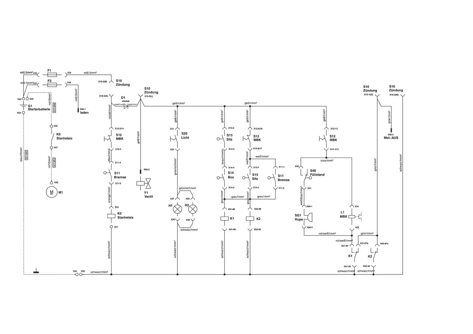
Zeichnungen von AL-KO Rasentraktor CLASSIC T 920 HR 10/2007 - 11/2008 mit der Geräte-Artikelnr. 119000:

Zeichnung 1
Zeichnung 2
Zeichnung 3
Zeichnung 4
Zeichnung 5
Zeichnung 6
Zeichnung 7
Zeichnung 8
Zeichnung 9

Nicht alle Ersatzteile von AL-KO Rasentraktor CLASSIC T 920 HR (119000) 10/2007 - 11/2008 sind immer lieferbar/vorrätig.
Sollten Sie Fragen zu einem Ersatzteil haben, können Sie uns gerne Mail schreiben oder eine Ersatzteilanfrage stellen.
Ersatzteile von Rasentraktor CLASSIC T 920 HR:
Artikel 1 - 20 von 377