10/2007 - 02/2009

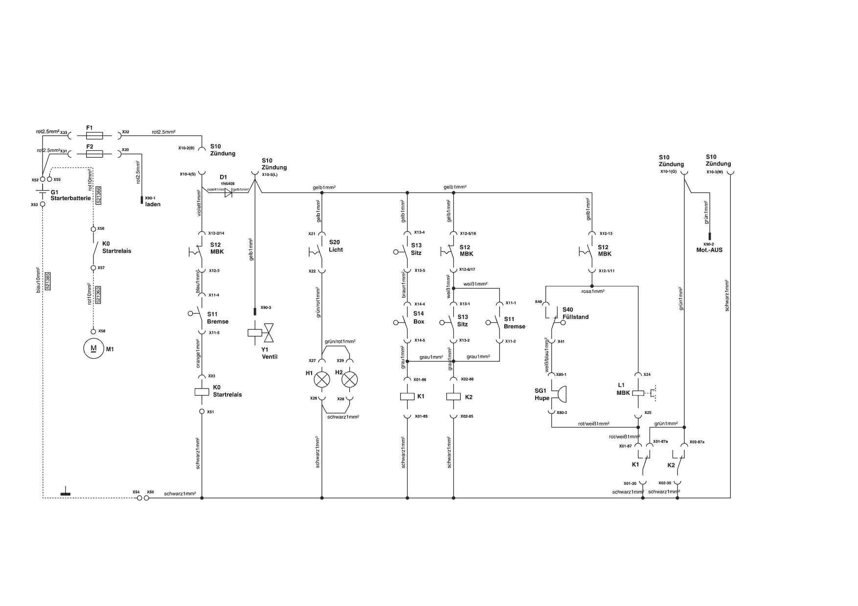
Zeichnungen von Powerline Rasentraktor T 15-92 HD-K 10/2007 - 02/2009 mit der Geräte-Artikelnr. 118865:

Zeichnung 1
Zeichnung 2
Zeichnung 3
Zeichnung 4
Zeichnung 5
Zeichnung 6
Zeichnung 7
Zeichnung 8
Zeichnung 9

Nicht alle Ersatzteile von Powerline Rasentraktor T 15-92 HD-K (118865) 10/2007 - 02/2009 sind immer lieferbar/vorrätig.
Sollten Sie Fragen zu einem Ersatzteil haben, können Sie uns gerne Mail schreiben oder eine Ersatzteilanfrage stellen.
Ersatzteile von Rasentraktor T 15-92 HD-K:
Artikel 1 - 30 von 430

133,68 € *
Lieferzeit: 2 - 10 Werktage