10/1999 - 03/2000

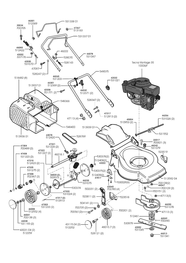
Zeichnungen von AL-KO Benzinrasenmäher Green Cat 445TR/464 A 10/1999 - 03/2000 mit der Geräte-Artikelnr. 120827:

Zeichnung 1

Nicht alle Ersatzteile von AL-KO Benzinrasenmäher Green Cat 445TR/464 A (120827) 10/1999 - 03/2000 sind immer lieferbar/vorrätig.
Sollten Sie Fragen zu einem Ersatzteil haben, können Sie uns gerne Mail schreiben oder eine Ersatzteilanfrage stellen.
Ersatzteile von Benzinrasenmäher Green Cat 445TR/464 A :
Artikel 1 - 30 von 55


Artikel 1 - 30 von 55