05/2022 - 01/2023

Zeichnung AL-KO Motorsensen BC 330 B EASY (113758) 05/2022 - 01/2023:

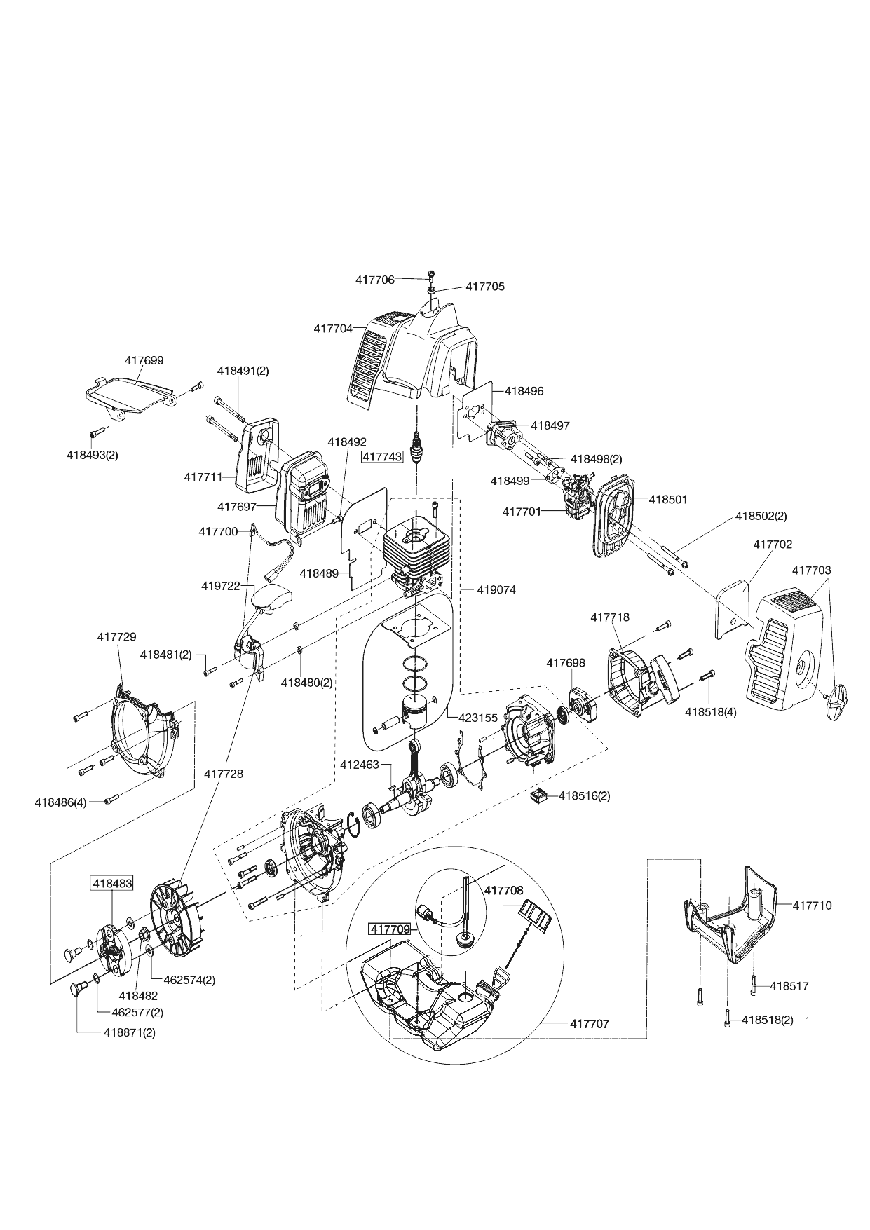
Zeichnung 1
Zeichnung 2

Sollten Sie Fragen zu einem Ersatzteil haben, können Sie uns gerne eine Ersatzteilanfrage stellen.

Hier finden Sie alle Ersatzteile für AL-KO Motorsensen BC 330 B EASY (113758) 05/2022 - 01/2023: