05/2016 - 09/2016

Zeichnung Powerline Rasentraktor T 18-95.4 HD (119348) 05/2016 - 09/2016:

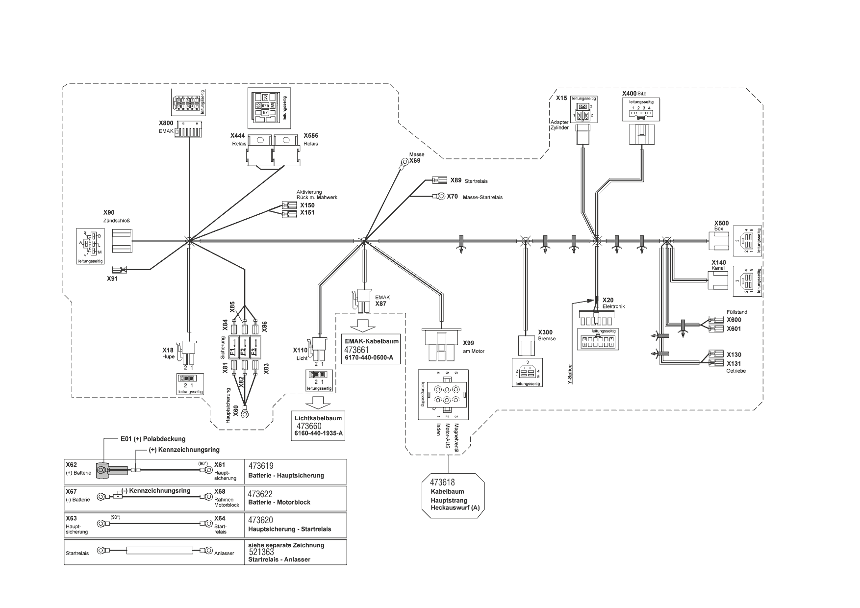
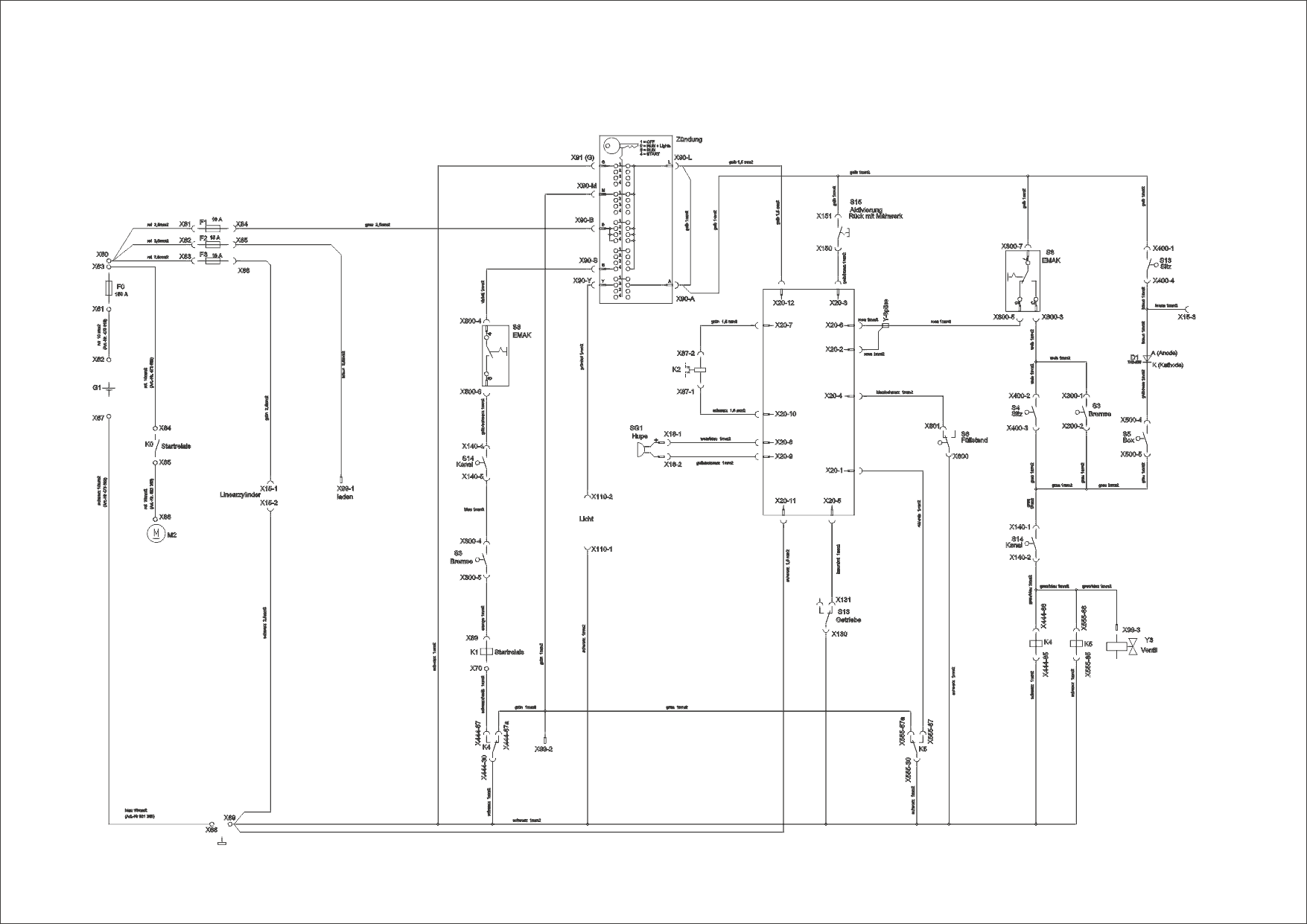
Zeichnung 1
Zeichnung 2
Zeichnung 3
Zeichnung 4
Zeichnung 5
Zeichnung 5
Zeichnung 5
Zeichnung 5
Zeichnung 5
Zeichnung 5
Zeichnung 5

Sollten Sie Fragen zu einem Ersatzteil haben, können Sie uns gerne eine Ersatzteilanfrage stellen.

Hier finden Sie alle Ersatzteile für Powerline Rasentraktor T 18-95.4 HD (119348) 05/2016 - 09/2016:
Artikel 1 - 40 von 421