04/2018 - 12/2019

Zeichnung Solo by AL-KO Rasentraktor T13-93.7 HDS-A COMFORT (127471) 04/2018 - 12/2019:

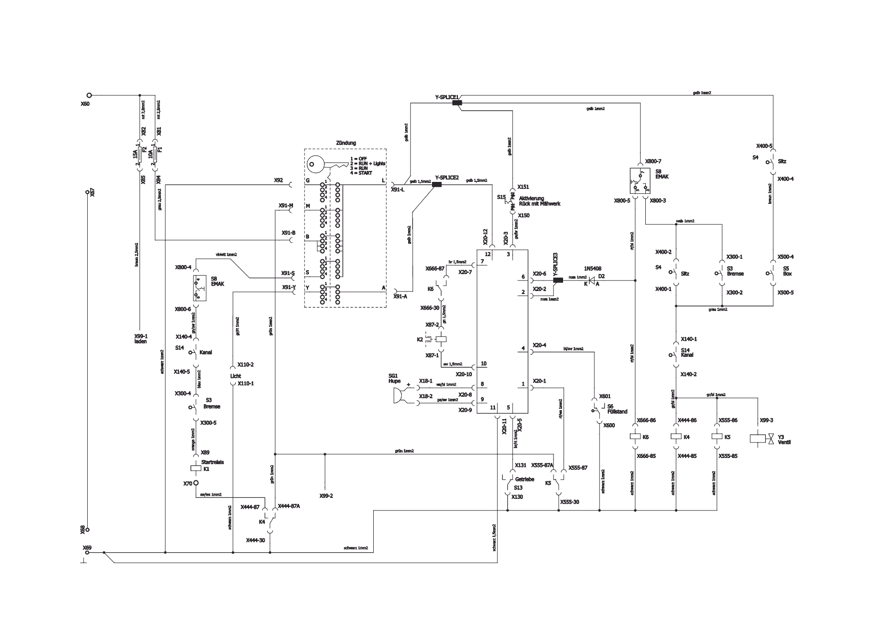
Zeichnung 1
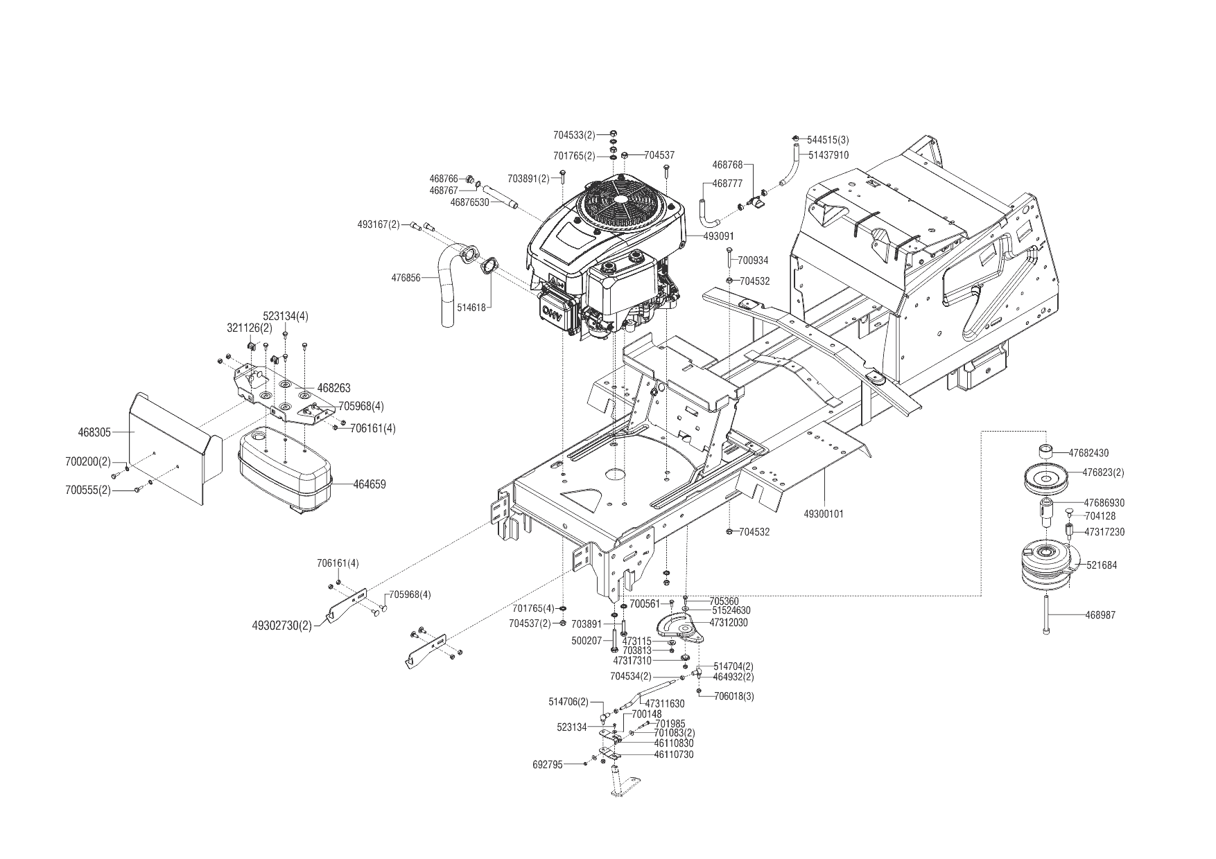
Zeichnung 2
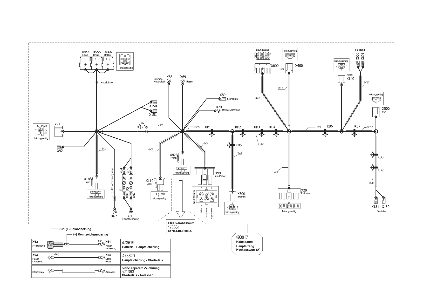
Zeichnung 3
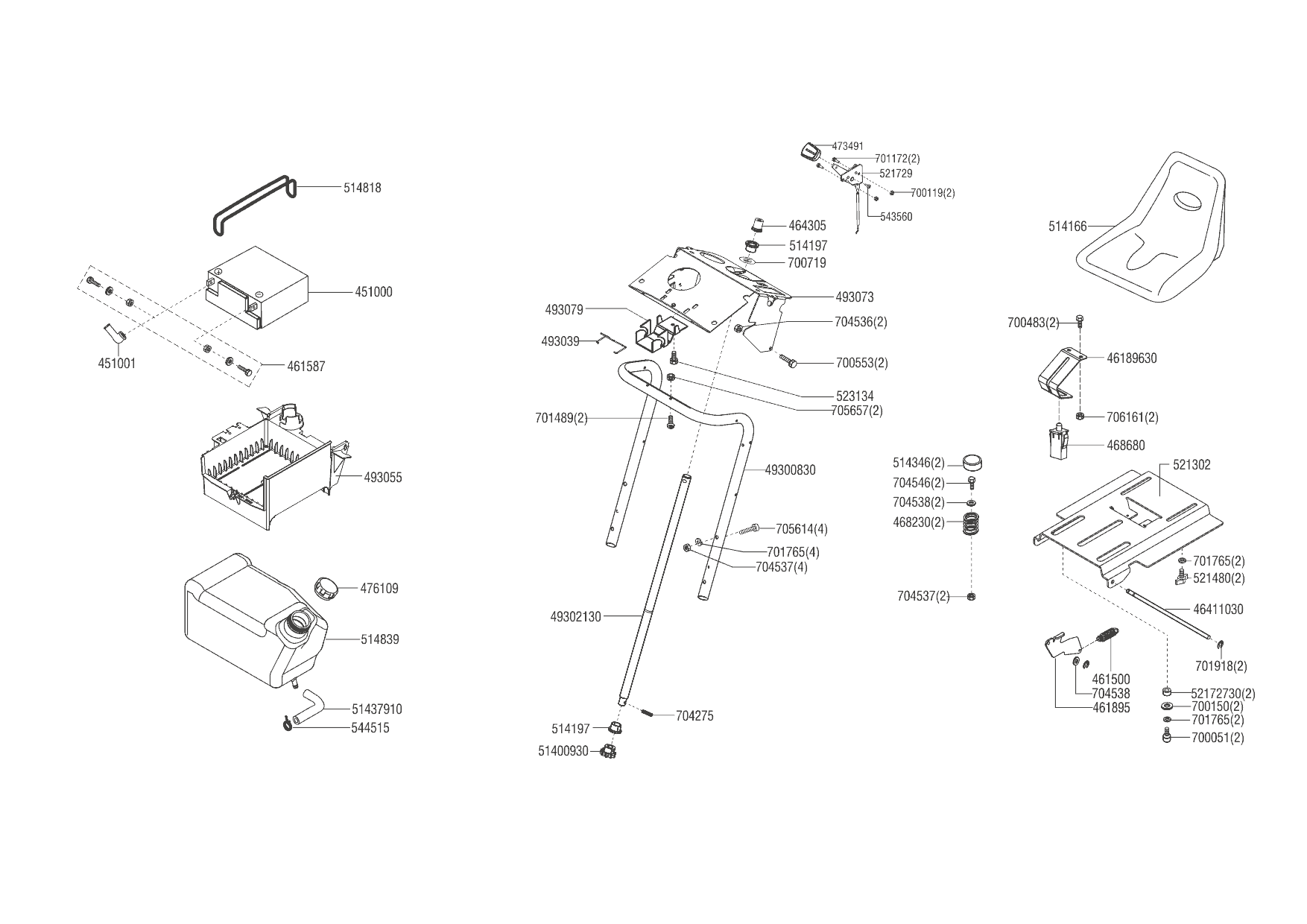
Zeichnung 4
Zeichnung 5
Zeichnung 5
Zeichnung 5
Zeichnung 5
Zeichnung 5
Zeichnung 5

Sollten Sie Fragen zu einem Ersatzteil haben, können Sie uns gerne eine Ersatzteilanfrage stellen.

Hier finden Sie alle Ersatzteile für Solo by AL-KO Rasentraktor T13-93.7 HDS-A COMFORT (127471) 04/2018 - 12/2019:
Artikel 1 - 20 von 340