04/2004 - 01/2006

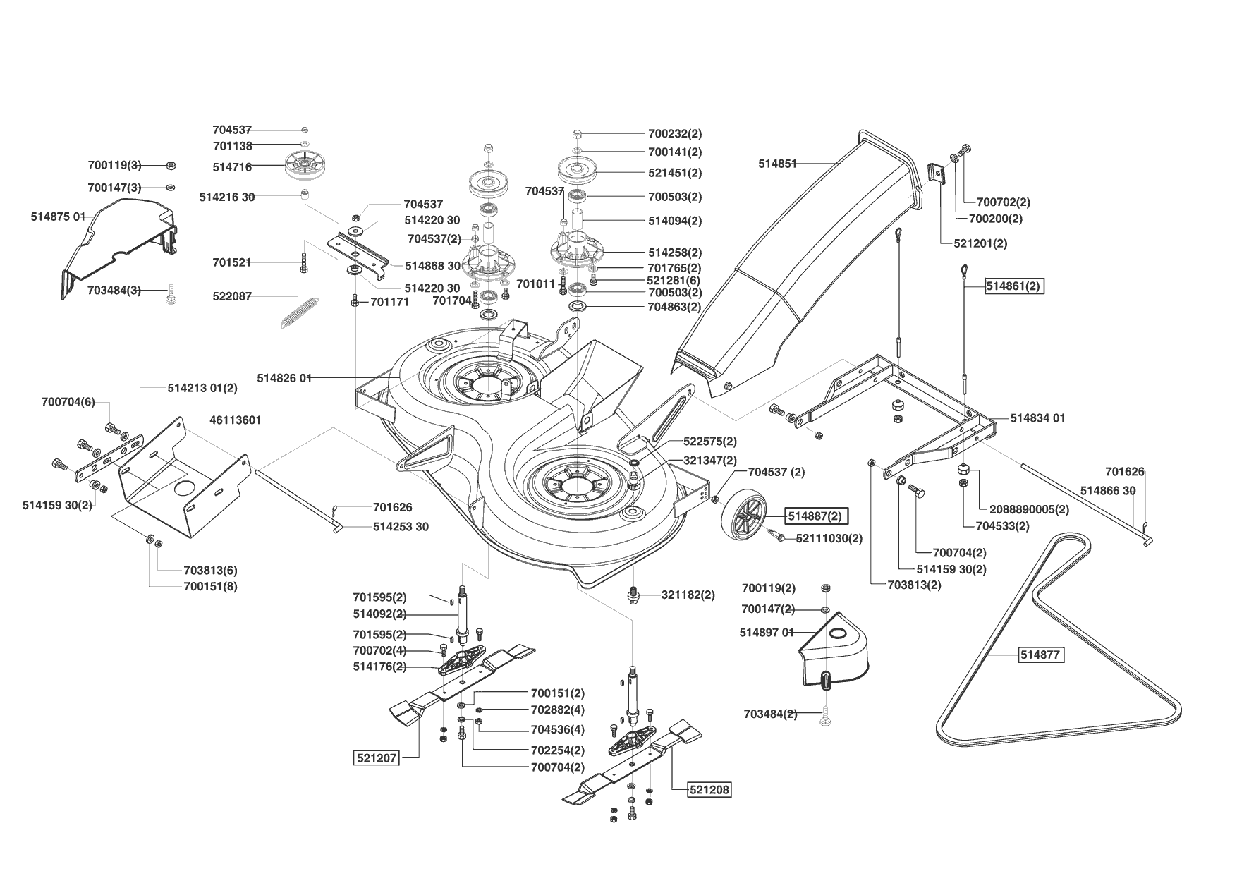
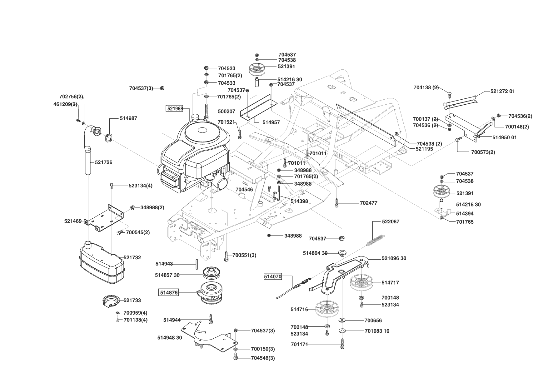
Zeichnungen von Concord Rasentraktor T18-102 HDE 04/2004 - 01/2006 mit der Geräte-Artikelnr. 118335:

Zeichnung 1
Zeichnung 2
Zeichnung 3
Zeichnung 4
Zeichnung 5
Zeichnung 6
Zeichnung 7
Zeichnung 8
Zeichnung 9

Nicht alle Ersatzteile von Concord Rasentraktor T18-102 HDE (118335) 04/2004 - 01/2006 sind immer lieferbar/vorrätig.
Sollten Sie Fragen zu einem Ersatzteil haben, können Sie uns gerne Mail schreiben oder eine Ersatzteilanfrage stellen.
Ersatzteile von Rasentraktor T18-102 HDE:
Artikel 1 - 20 von 331

133,68 € *
Lieferzeit: 2 - 10 Werktage
18,82 € *
Lieferzeit: 2 - 10 Werktage