03/2016 - 09/2016

Zeichnung AL-KO Rasentraktor T16-92 HD EDITION (119725) 03/2016 - 09/2016:

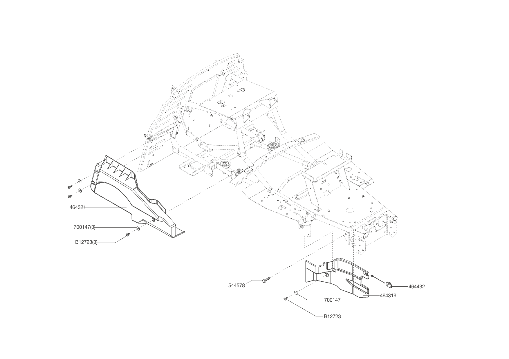
Zeichnung 1
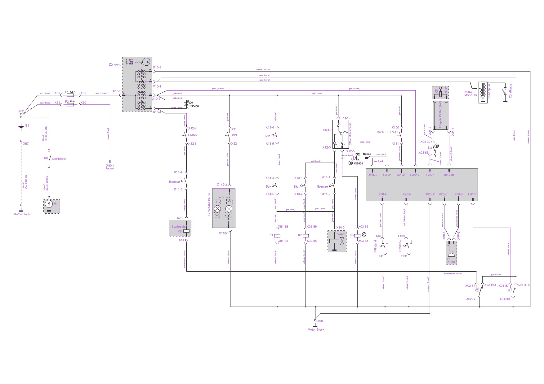
Zeichnung 2
Zeichnung 2
Zeichnung 2
Zeichnung 2
Zeichnung 2
Zeichnung 2
Zeichnung 2
Zeichnung 2
Zeichnung 2
Zeichnung 2

Sollten Sie Fragen zu einem Ersatzteil haben, können Sie uns gerne eine Ersatzteilanfrage stellen.

Hier finden Sie alle Ersatzteile für AL-KO Rasentraktor T16-92 HD EDITION (119725) 03/2016 - 09/2016:

Artikel 1 - 20 von 384