03/2016 - 09/2016

Zeichnung AL-KO Rasentraktor T13-102 HD PRO HVC (119758) 03/2016 - 09/2016:

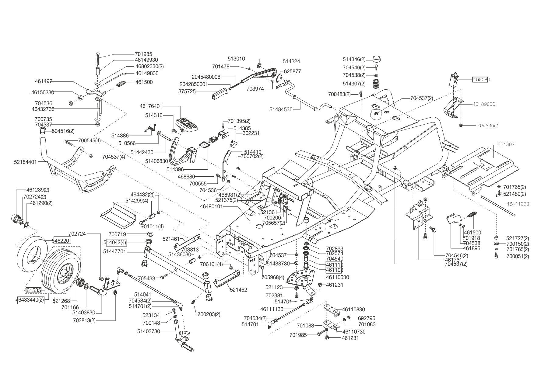
Zeichnung 1
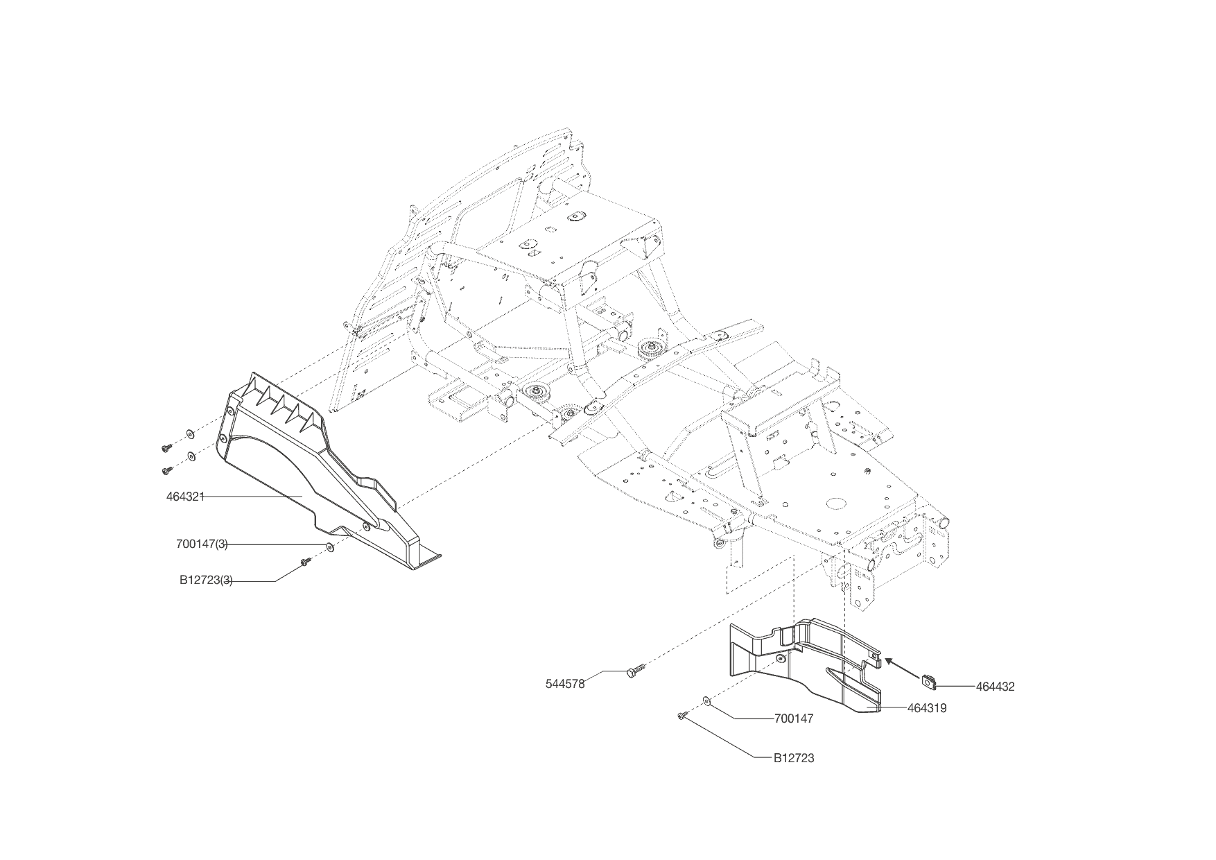
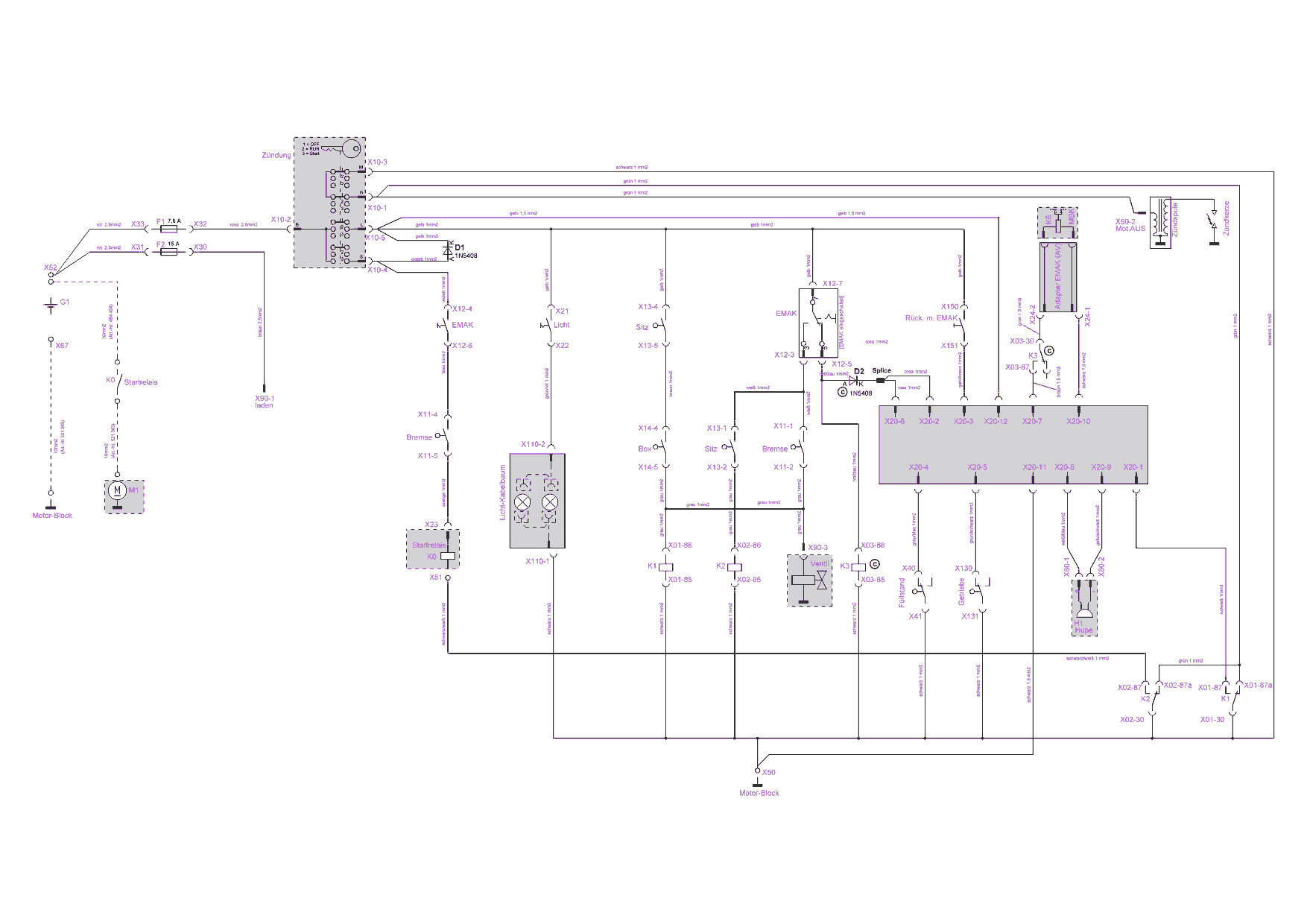
Zeichnung 2
Zeichnung 2
Zeichnung 2
Zeichnung 2
Zeichnung 2
Zeichnung 2
Zeichnung 2
Zeichnung 2
Zeichnung 2
Zeichnung 2

Sollten Sie Fragen zu einem Ersatzteil haben, können Sie uns gerne eine Ersatzteilanfrage stellen.

Hier finden Sie alle Ersatzteile für AL-KO Rasentraktor T13-102 HD PRO HVC (119758) 03/2016 - 09/2016:

Artikel 251 - 300 von 394