03/2009 - 01/2010

Zeichnung AL-KO Rasentraktor Comfort T 1000 HD (F) (11904679) 03/2009 - 01/2010:

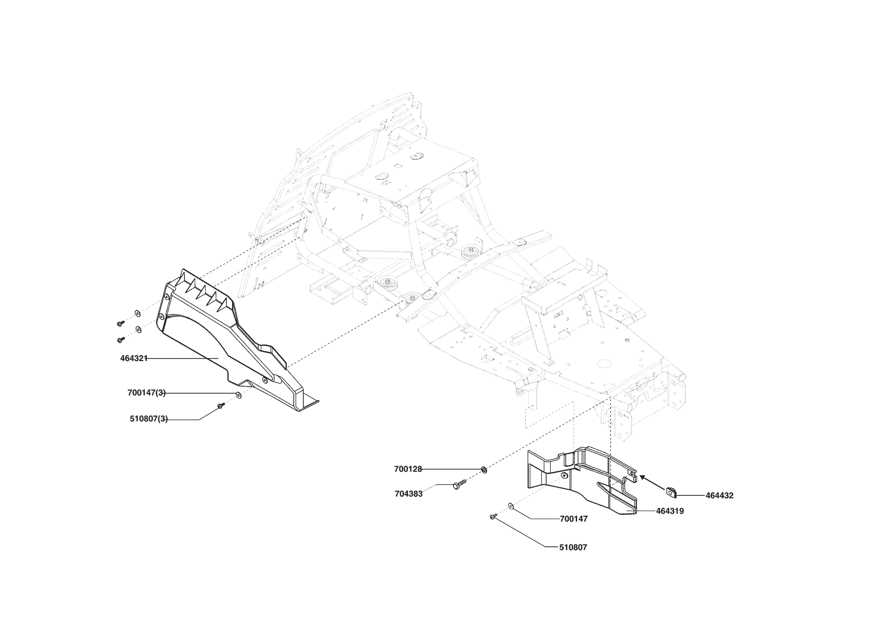
Zeichnung 1
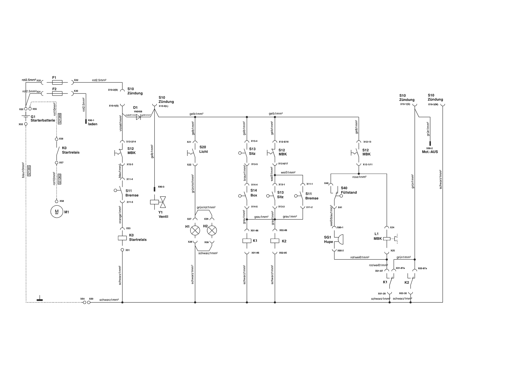
Zeichnung 2
Zeichnung 2
Zeichnung 2
Zeichnung 2
Zeichnung 2
Zeichnung 2
Zeichnung 2
Zeichnung 2
Zeichnung 2
Zeichnung 2
Zeichnung 2

Sollten Sie Fragen zu einem Ersatzteil haben, können Sie uns gerne eine Ersatzteilanfrage stellen.

Hier finden Sie alle Ersatzteile für AL-KO Rasentraktor Comfort T 1000 HD (F) (11904679) 03/2009 - 01/2010:

Artikel 1 - 10 von 330