03/2009 - 01/2010

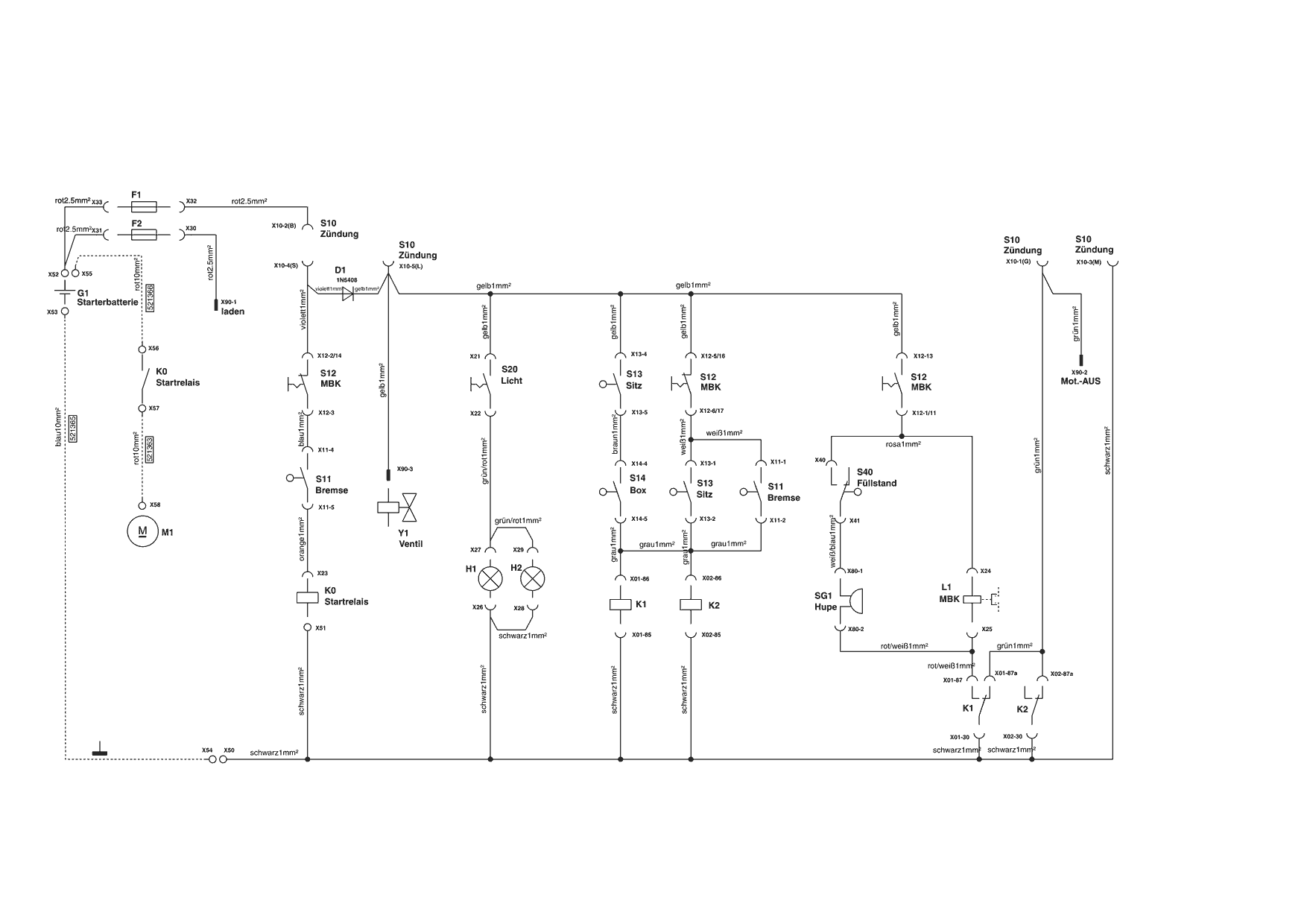
Zeichnungen von Powerline Rasentraktor T 13-92 SP HD (F) 03/2009 - 01/2010 mit der Geräte-Artikelnr. 914879:

Zeichnung 1
Zeichnung 2
Zeichnung 3
Zeichnung 4
Zeichnung 5
Zeichnung 6
Zeichnung 7
Zeichnung 8
Zeichnung 9
Zeichnung 10
Zeichnung 11

Nicht alle Ersatzteile von Powerline Rasentraktor T 13-92 SP HD (F) (914879) 03/2009 - 01/2010 sind immer lieferbar/vorrätig.
Sollten Sie Fragen zu einem Ersatzteil haben, können Sie uns gerne Mail schreiben oder eine Ersatzteilanfrage stellen.
Ersatzteile von Rasentraktor T 13-92 SP HD (F):
Artikel 1 - 20 von 388