02/2011 - 07/2012

Zeichnung AL-KO Rasentraktor COMFORT T 850 S (119073) 02/2011 - 07/2012:

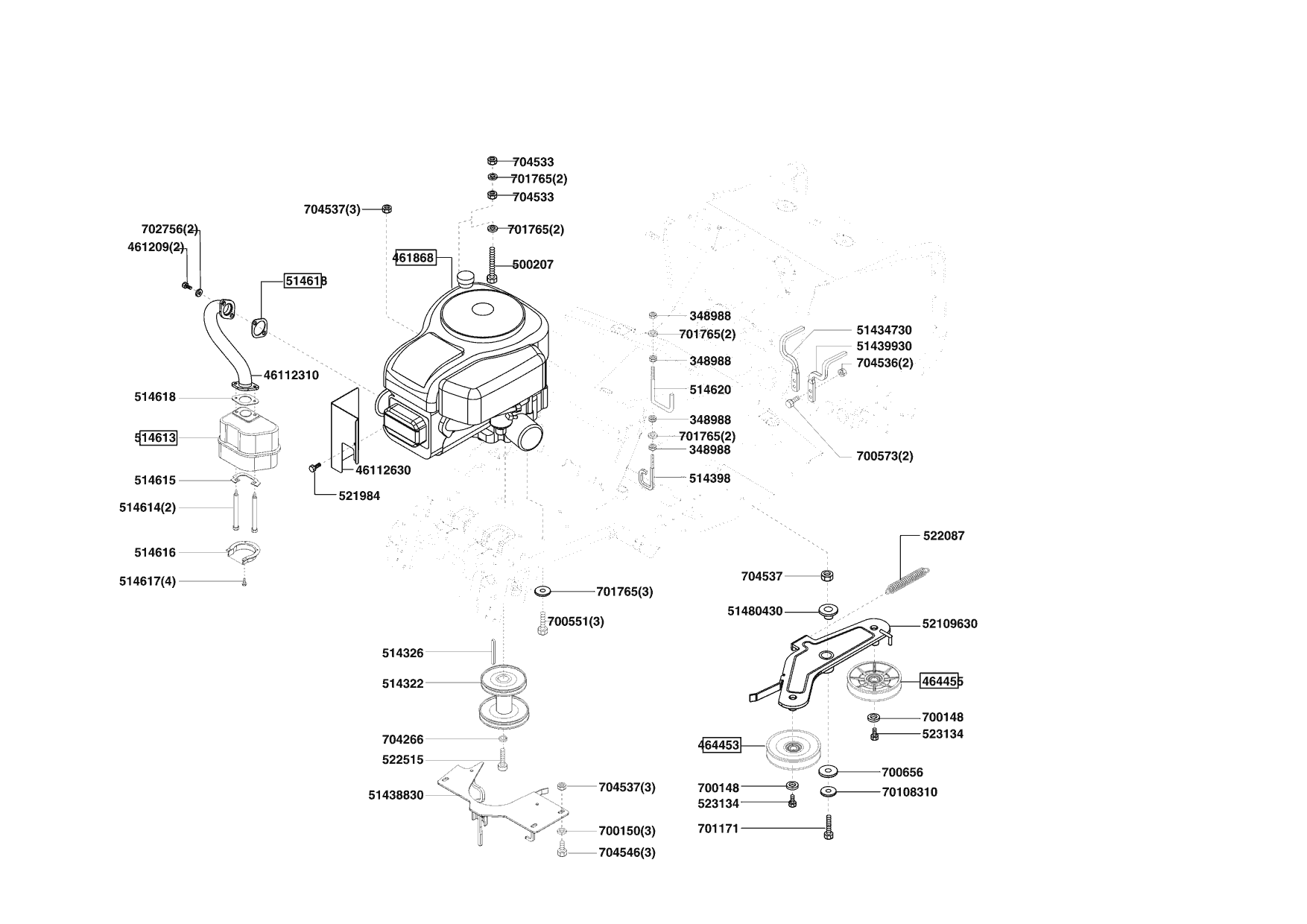
Zeichnung 1
Zeichnung 2
Zeichnung 2
Zeichnung 2
Zeichnung 2
Zeichnung 2
Zeichnung 2
Zeichnung 2

Sollten Sie Fragen zu einem Ersatzteil haben, können Sie uns gerne eine Ersatzteilanfrage stellen.

Hier finden Sie alle Ersatzteile für AL-KO Rasentraktor COMFORT T 850 S (119073) 02/2011 - 07/2012:

Artikel 1 - 40 von 285