02/2009 - 11/2009

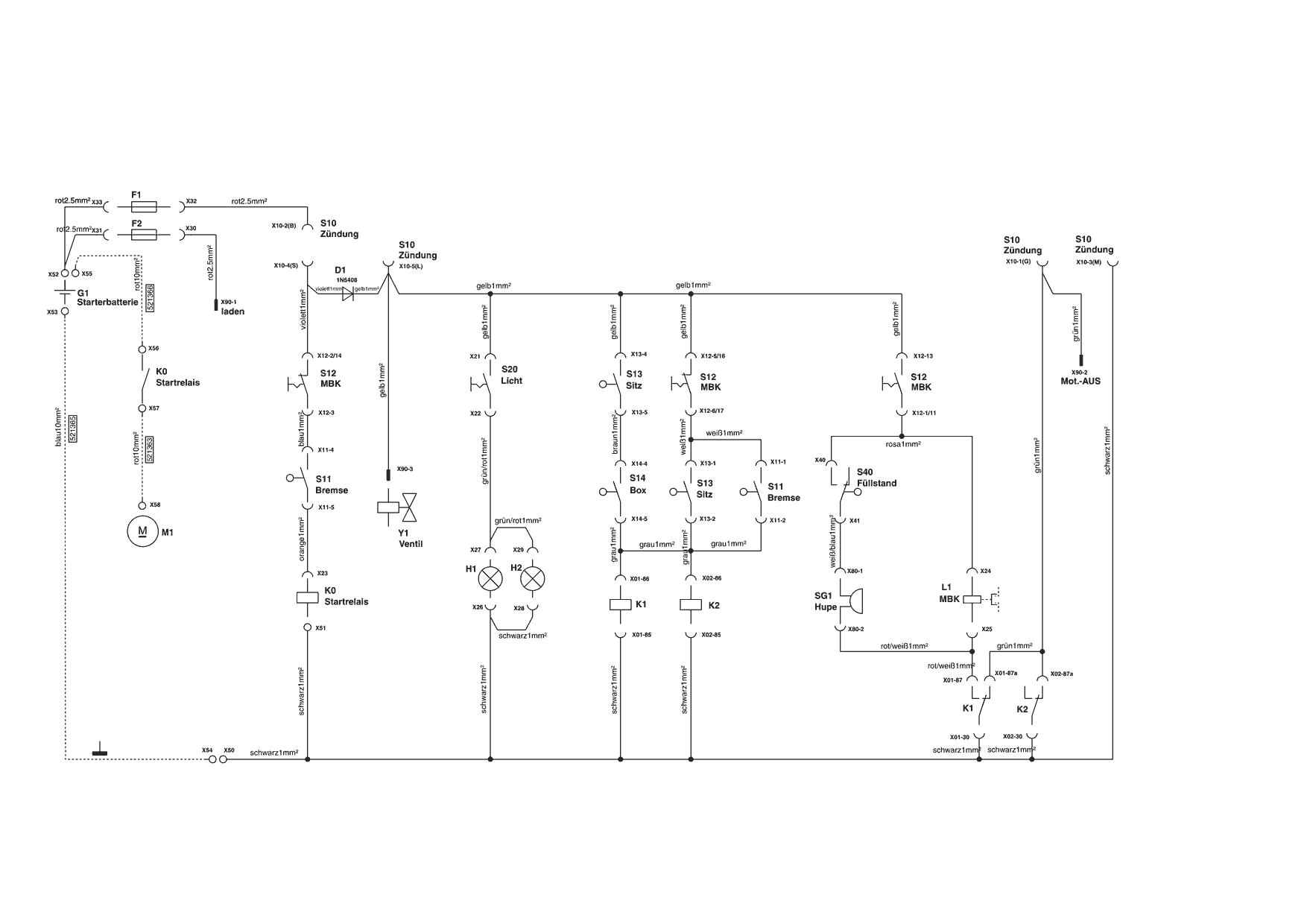
Zeichnungen von Powerline Rasentraktor T 15-102 HD 02/2009 - 11/2009+ mit der Geräte-Artikelnr. 118866:

Zeichnung 1
Zeichnung 2
Zeichnung 3
Zeichnung 4
Zeichnung 5
Zeichnung 6
Zeichnung 7
Zeichnung 8
Zeichnung 9

Nicht alle Ersatzteile von Powerline Rasentraktor T 15-102 HD (118866) 02/2009 - 11/2009+ sind immer lieferbar/vorrätig.
Sollten Sie Fragen zu einem Ersatzteil haben, können Sie uns gerne Mail schreiben oder eine Ersatzteilanfrage stellen.
Ersatzteile von Rasentraktor T 15-102 HD:
Artikel 1 - 20 von 432

52,88 € *
Lieferzeit: 2 - 10 Werktage
133,68 € *
Lieferzeit: 2 - 10 Werktage