02/2009 - 02/2010

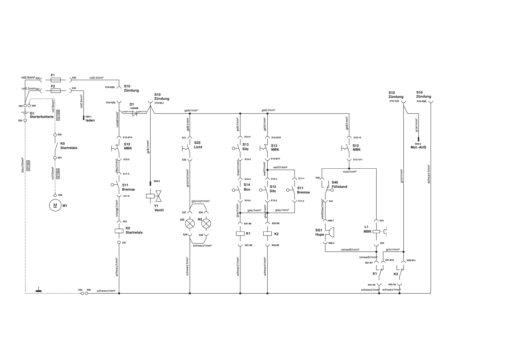
Zeichnungen von Powerline Rasentraktor T 20-102 HD 02/2009 - 02/2010 mit der Geräte-Artikelnr. 118919:

Zeichnung 1
Zeichnung 2
Zeichnung 3
Zeichnung 4
Zeichnung 5
Zeichnung 6
Zeichnung 7
Zeichnung 8
Zeichnung 9

Nicht alle Ersatzteile von Powerline Rasentraktor T 20-102 HD (118919) 02/2009 - 02/2010 sind immer lieferbar/vorrätig.
Sollten Sie Fragen zu einem Ersatzteil haben, können Sie uns gerne Mail schreiben oder eine Ersatzteilanfrage stellen.
Ersatzteile von Rasentraktor T 20-102 HD:
Artikel 1 - 10 von 430

52,88 € *
Lieferzeit: 2 - 10 Werktage
133,68 € *
Lieferzeit: 2 - 10 Werktage