02/2009 - 01/2010

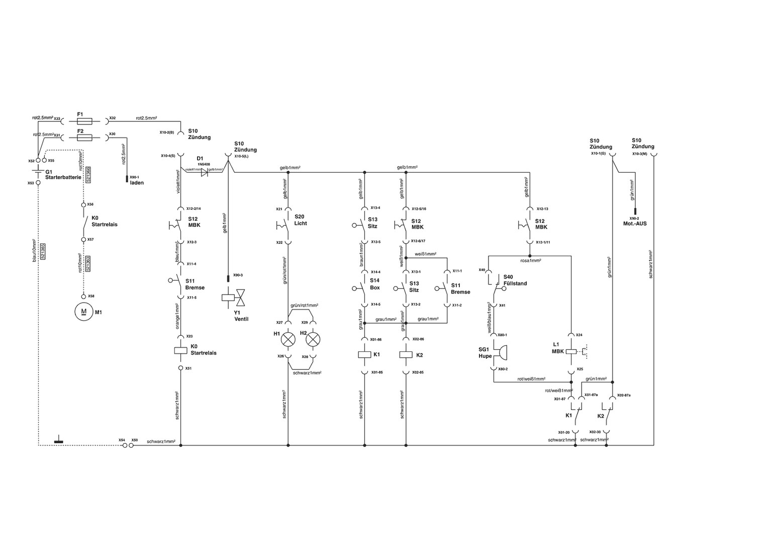
Zeichnungen von AL-KO Rasentraktor COMFORT T 950 02/2009 - 01/2010 mit der Geräte-Artikelnr. 119045:

Zeichnung 1
Zeichnung 2
Zeichnung 3
Zeichnung 4
Zeichnung 5
Zeichnung 6
Zeichnung 7
Zeichnung 8
Zeichnung 9

Nicht alle Ersatzteile von AL-KO Rasentraktor COMFORT T 950 (119045) 02/2009 - 01/2010 sind immer lieferbar/vorrätig.
Sollten Sie Fragen zu einem Ersatzteil haben, können Sie uns gerne Mail schreiben oder eine Ersatzteilanfrage stellen.
Ersatzteile von Rasentraktor COMFORT T 950:
Artikel 1 - 10 von 371