02/2008 - 11/2008

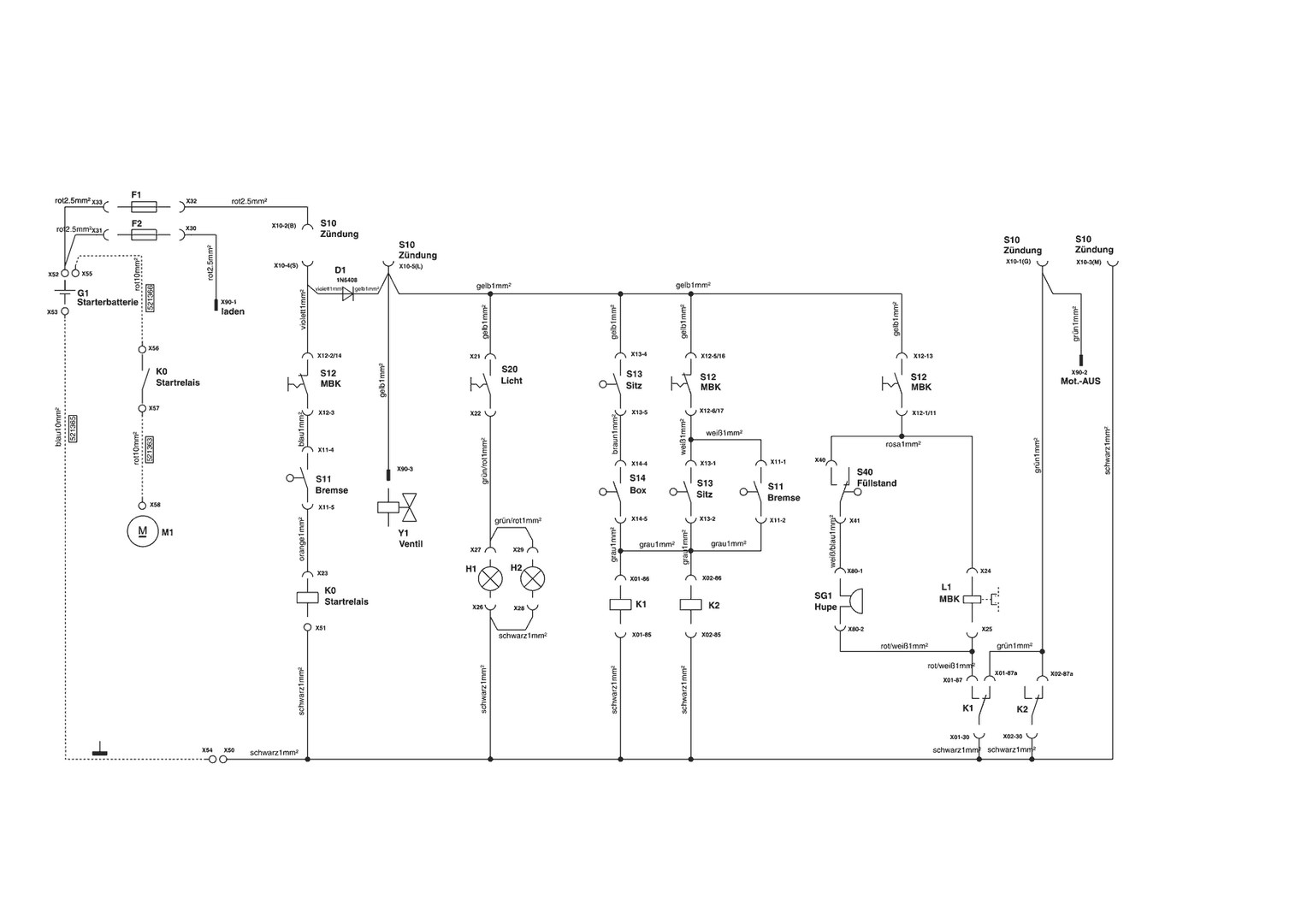
Zeichnungen von AL-KO Rasentraktor VLB 950 VERTS LOISIRS 02/2008 - 11/2008 mit der Geräte-Artikelnr. 119143:

Zeichnung 1
Zeichnung 2
Zeichnung 3
Zeichnung 4
Zeichnung 5
Zeichnung 6
Zeichnung 7
Zeichnung 8
Zeichnung 9

Nicht alle Ersatzteile von AL-KO Rasentraktor VLB 950 VERTS LOISIRS (119143) 02/2008 - 11/2008 sind immer lieferbar/vorrätig.
Sollten Sie Fragen zu einem Ersatzteil haben, können Sie uns gerne Mail schreiben oder eine Ersatzteilanfrage stellen.
Ersatzteile von Rasentraktor VLB 950 VERTS LOISIRS:
Artikel 1 - 20 von 429