02/2008 - 11/2008

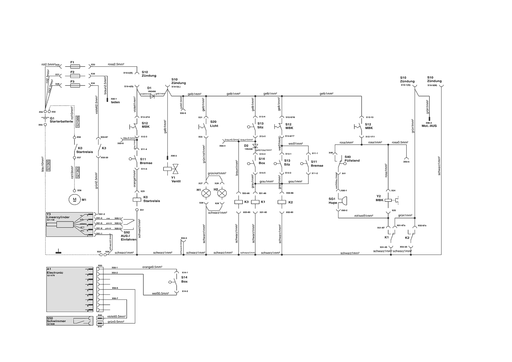
Zeichnung AL-KO Rasentraktor T15-102 SPH-E (119153) 02/2008 - 11/2008:

Zeichnung 1
Zeichnung 2
Zeichnung 2
Zeichnung 2
Zeichnung 2
Zeichnung 2
Zeichnung 2
Zeichnung 2
Zeichnung 2

Sollten Sie Fragen zu einem Ersatzteil haben, können Sie uns gerne eine Ersatzteilanfrage stellen.

Hier finden Sie alle Ersatzteile für AL-KO Rasentraktor T15-102 SPH-E (119153) 02/2008 - 11/2008:

Artikel 1 - 10 von 342