02/2008 - 03/2009

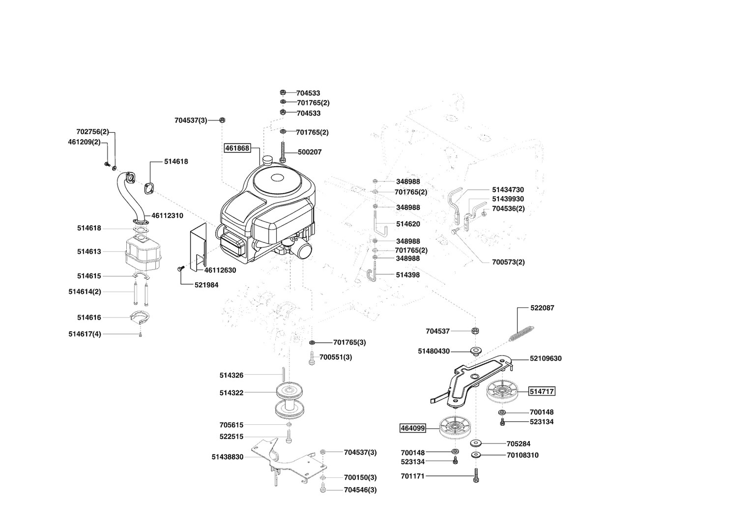
Zeichnungen von AL-KO Rasentraktor COMFORT T850 S 02/2008 - 03/2009 mit der Geräte-Artikelnr. 118926:

Zeichnung 1
Zeichnung 2
Zeichnung 3
Zeichnung 4
Zeichnung 5
Zeichnung 6
Zeichnung 7
Zeichnung 8

Nicht alle Ersatzteile von AL-KO Rasentraktor COMFORT T850 S (118926) 02/2008 - 03/2009 sind immer lieferbar/vorrätig.
Sollten Sie Fragen zu einem Ersatzteil haben, können Sie uns gerne Mail schreiben oder eine Ersatzteilanfrage stellen.
Ersatzteile von Rasentraktor COMFORT T850 S:
Artikel 1 - 10 von 326