0131 - Rüttelplatte

Ersatzteile für Scheppach Rüttelplatte HP1300S (Gerätenr. 3904602903) - 0131 - Rüttelplatte

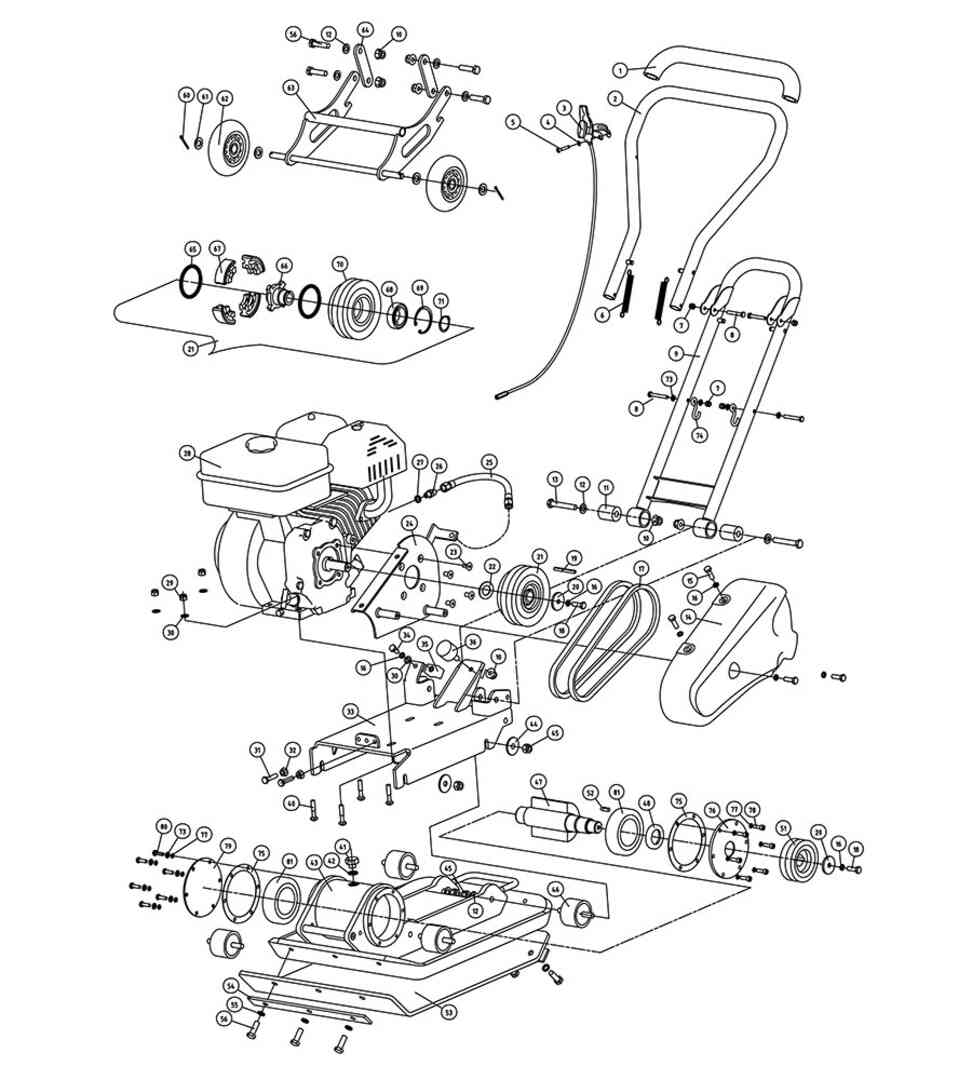
Zeichnung 01

Sollten Sie Fragen zu einem Ersatzteil für Scheppach Rüttelplatte HP1300S (Gerätenr. 3904602903) haben, können Sie uns gerne eine E-Mail (mit einem Foto vom Typenschild Ihres Gerätes) schreiben oder eine Ersatzteilanfrage stellen.

Folgende Ersatzteile für Scheppach Rüttelplatte HP1300S (Gerätenr. 3904602903) können Sie hier bestellen:
Artikel 1 - 30 von 92