01/2013 - 01/2014

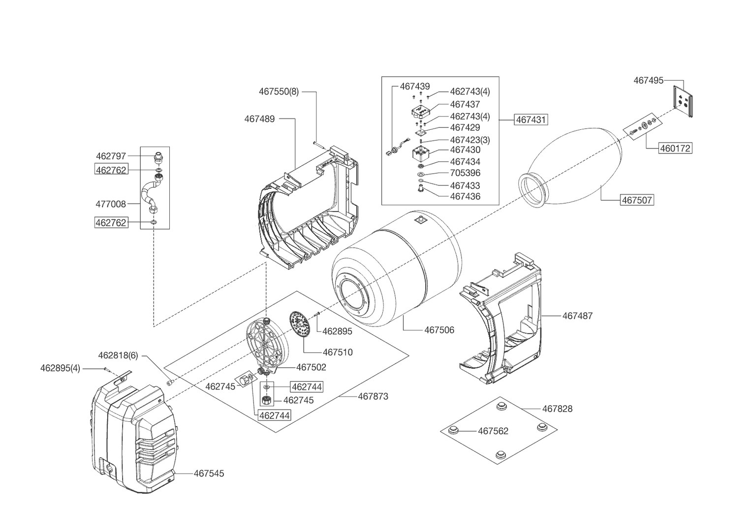
Zeichnungen von AL-KO Hauswasserwerke HW 6000 FMS PREMIUM 01/2013 - 01/2014 mit der Geräte-Artikelnr. 112852:

Zeichnung 1
Zeichnung 2
Zeichnung 3

Nicht alle Ersatzteile von AL-KO Hauswasserwerke HW 6000 FMS PREMIUM (112852) 01/2013 - 01/2014 sind immer lieferbar/vorrätig.
Sollten Sie Fragen zu einem Ersatzteil haben, können Sie uns gerne Mail schreiben oder eine Ersatzteilanfrage stellen.
Ersatzteile von Hauswasserwerke HW 6000 FMS PREMIUM:
Artikel 1 - 30 von 106

13,88 € *
Lieferzeit: 2 - 10 Werktage

Artikel 1 - 30 von 106