01/2010 - 10/2011

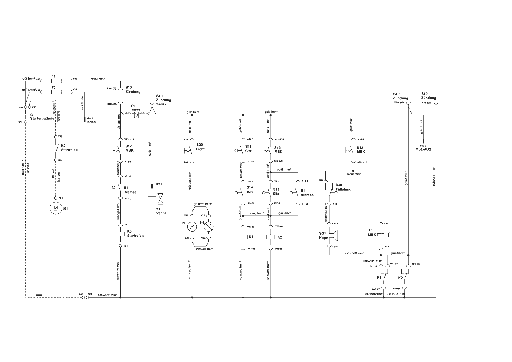
Zeichnungen von Powerline Rasentraktor T14-102 HD Edition 01/2010 - 10/2011 mit der Geräte-Artikelnr. 119264:

Zeichnung 1
Zeichnung 2
Zeichnung 3
Zeichnung 4
Zeichnung 5
Zeichnung 6
Zeichnung 7
Zeichnung 8
Zeichnung 9

Nicht alle Ersatzteile von Powerline Rasentraktor T14-102 HD Edition (119264) 01/2010 - 10/2011 sind immer lieferbar/vorrätig.
Sollten Sie Fragen zu einem Ersatzteil haben, können Sie uns gerne Mail schreiben oder eine Ersatzteilanfrage stellen.
Ersatzteile von Rasentraktor T14-102 HD Edition:
Artikel 1 - 20 von 413