01/2005 - 03/2007

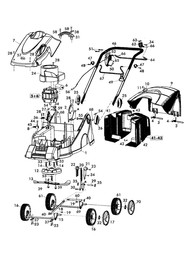
Zeichnungen von Brill Elektrorasenmäher Evolution 41 EM 01/2005 - 03/2007 mit der Geräte-Artikelnr. 134116:

Zeichnung 1

Nicht alle Ersatzteile von Brill Elektrorasenmäher Evolution 41 EM (134116) 01/2005 - 03/2007 sind immer lieferbar/vorrätig.
Sollten Sie Fragen zu einem Ersatzteil haben, können Sie uns gerne Mail schreiben oder eine Ersatzteilanfrage stellen.
Ersatzteile von Elektrorasenmäher Evolution 41 EM:
Artikel 1 - 20 von 42

4,93 € *
Lieferzeit: 2 - 10 Werktage
7,93 € *
Lieferzeit: 2 - 10 Werktage
8,93 € *
Lieferzeit: 2 - 10 Werktage
7,93 € *
Lieferzeit: 2 - 10 Werktage

Artikel 1 - 20 von 42