00/1991

Zeichnungen von Solo by AL-KO Kettensägen 644 00/1991 mit der Geräte-Artikelnr. 126906:

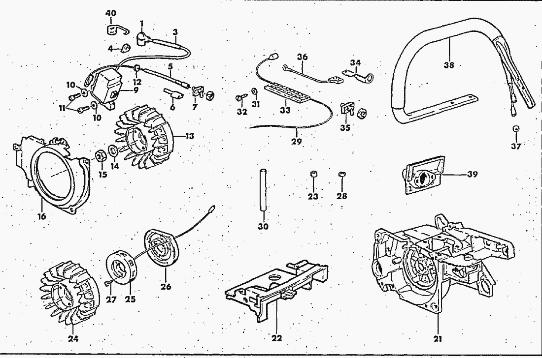
Zeichnung 1
Zeichnung 2
Zeichnung 3
Zeichnung 4
Zeichnung 5
Zeichnung 6

Nicht alle Ersatzteile von Solo by AL-KO Kettensägen 644 (126906) 00/1991 sind immer lieferbar/vorrätig.
Sollten Sie Fragen zu einem Ersatzteil haben, können Sie uns gerne Mail schreiben oder eine Ersatzteilanfrage stellen.
Ersatzteile von Kettensägen 644:
Artikel 1 - 20 von 332

5,95 € *
Lieferzeit: 2 - 10 Werktage
13,95 € *
Lieferzeit: 2 - 10 Werktage
9,95 € *
Lieferzeit: 2 - 10 Werktage
7,93 € *
Lieferzeit: 2 - 10 Werktage
9,95 € *
Lieferzeit: 2 - 10 Werktage