Grundgerät

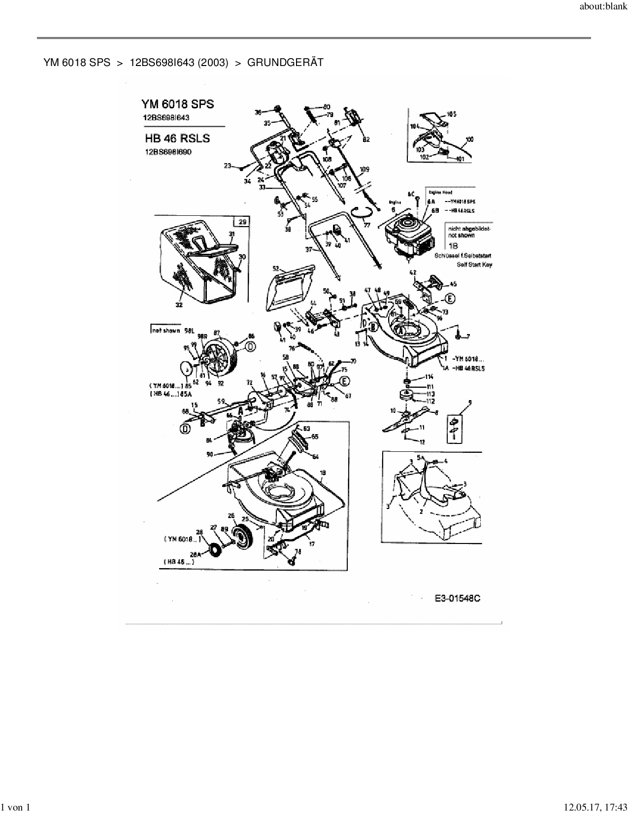
Zeichnung für Yard-Man Motormäher mit Antrieb YM 6018 SPS mit der Geräte-Artikelnr. 12BS698I643 ab Baujahr 2003:

Zeichnung Grundgerät

Die Ersatzteil-Zeichnung für Motormäher mit Antrieb Yard-Man YM 6018 SPS als Download:
Download Ersatzteil-Zeichnung Yard-Man YM 6018 SPS Zeichnung Grundgerät (PDF-Format)
Download Ersatzteil-Zeichnung Yard-Man YM 6018 SPS Zeichnung Grundgerät (JPG-Format)

Sollten Sie Fragen zu einem Ersatzteil haben, können Sie uns gerne eine E-Mail (mit einem Foto vom Typenschild Ihres Gerätes) schreiben oder eine Ersatzteilanfrage stellen.

Ersatzteile für Motormäher mit Antrieb Yard-Man YM 6018 SPS aus der Zeichnung Grundgerät:
Artikel 41 - 50 von 105