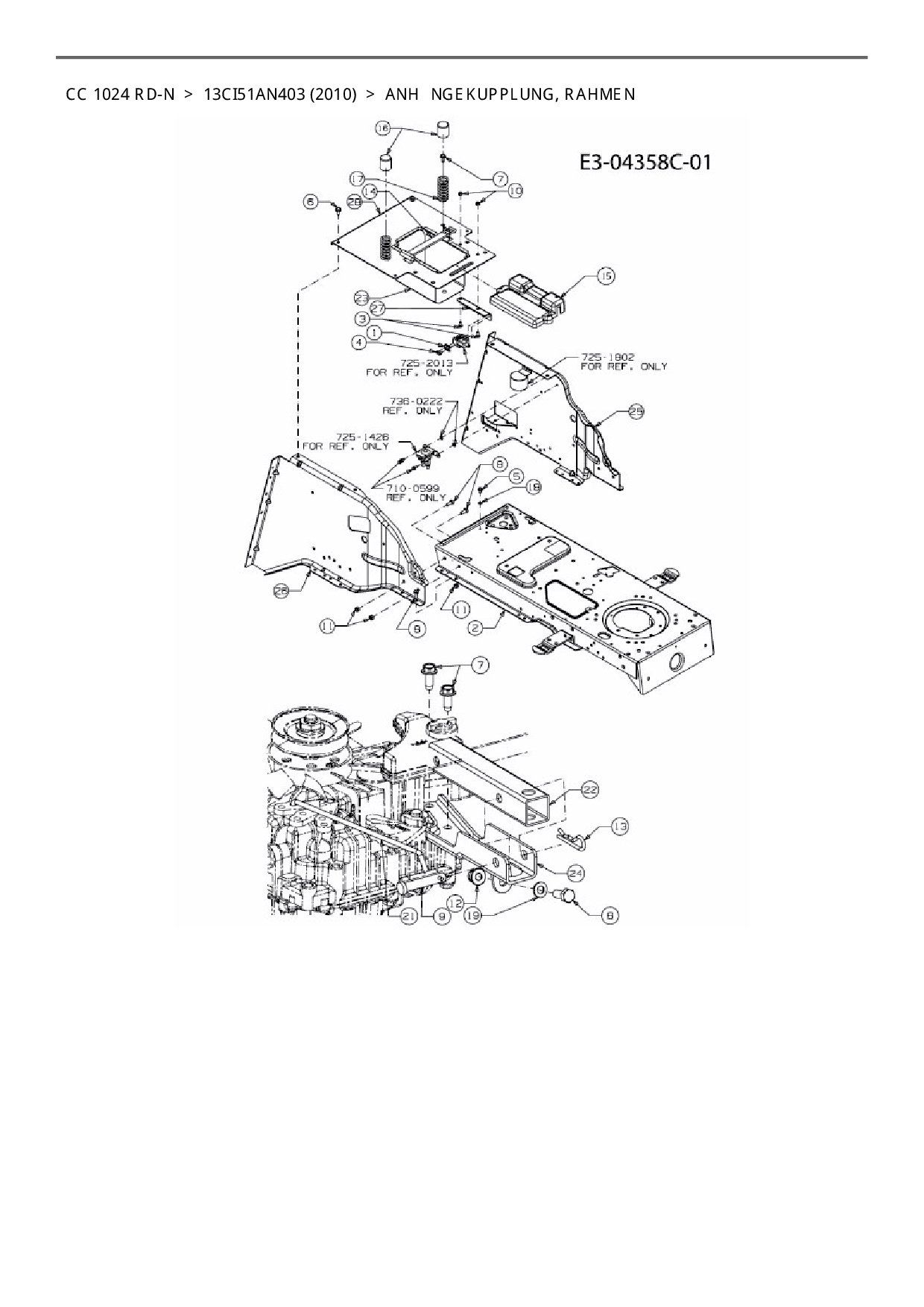
Anhängekupplung, Rahmen

Zeichnung für Cub Cadet Rasentraktor CC 1024 RD-N mit der Geräte-Artikelnr. 13CI51AN403 ab Baujahr 2010:

Zeichnung Anhängekupplung, Rahmen

Die Ersatzteil-Zeichnung für Rasentraktor Cub Cadet CC 1024 RD-N als Download:
Download Ersatzteil-Zeichnung Cub Cadet CC 1024 RD-N Zeichnung Anhängekupplung, Rahmen (PDF-Format)
Download Ersatzteil-Zeichnung Cub Cadet CC 1024 RD-N Zeichnung Anhängekupplung, Rahmen (JPG-Format)

Sollten Sie Fragen zu einem Ersatzteil haben, können Sie uns gerne eine E-Mail (mit einem Foto vom Typenschild Ihres Gerätes) schreiben oder eine Ersatzteilanfrage stellen.

Ersatzteile für Rasentraktor Cub Cadet CC 1024 RD-N aus der Zeichnung Anhängekupplung, Rahmen:
Artikel 21 - 23 von 23


Artikel 21 - 23 von 23